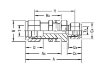
PRECITECH Engineering is a trusted manufacturer of Bulkhead Reducing Unions, designed for precision and reliability in connecting tubes of different sizes through a panel or wall. These fittings ensure leak-free and vibration-resistant connections in demanding instrumentation and process control systems.
Our Bulkhead Reducing Unions are precision-machined using advanced CNC technology, guaranteeing perfect dimensional accuracy, smooth threads, and consistent surface finish. Made from high-grade stainless steel and corrosion-resistant alloys, these fittings are ideal for high-pressure and high-temperature applications where safety and durability are critical.
The design allows for seamless tube-to-tube connection with a secure bulkhead mount, ensuring firm grip and superior sealing integrity. This makes them highly suitable for use in oil & gas, petrochemical, chemical, hydraulic, power, and instrumentation applications.