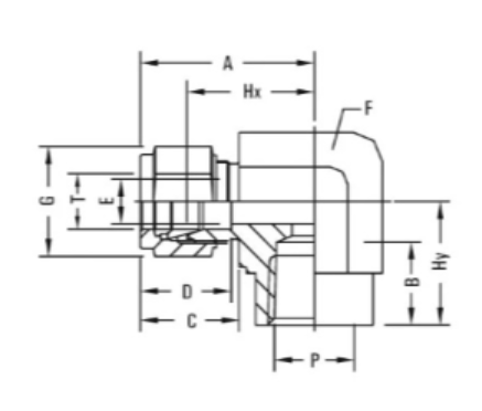
At PRECITECH Engineering, we manufacture high-quality Female Elbow Tube Fittings that ensure secure and reliable tube connections at a 90-degree angle, making them ideal for compact and space-constrained piping systems.
Our Female Elbows are precisely engineered using advanced CNC machining technology to achieve excellent dimensional accuracy, consistent threading, and a smooth surface finish. These fittings are designed to connect male-threaded components or tubes while maintaining a leak-proof seal under high-pressure and high-temperature conditions.
Constructed from premium stainless steel and corrosion-resistant alloys, our Female Elbows provide outstanding mechanical strength, long service life, and resistance to vibration and thermal expansion. They comply with international instrumentation and industrial fitting standards, ensuring compatibility with global systems.