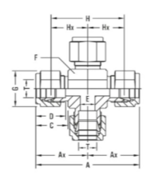
PRECITECH Engineering is a trusted manufacturer of Union Cross fittings, engineered to provide strong, leak-proof, and durable connections in instrumentation and process control systems. These fittings are designed to connect four tubes of equal or different sizes in a cross configuration, ensuring precise flow direction and seamless connectivity in complex piping systems.
Manufactured using advanced CNC machining technology, our Union Cross fittings maintain tight dimensional tolerances and perfect surface finishes. Each fitting is crafted from high-grade stainless steel and corrosion-resistant alloys, providing excellent performance even under high pressure and temperature conditions.
Our Union Cross fittings are extensively used in oil & gas, petrochemical, chemical, power generation, and instrumentation industries, where reliability and performance are critical. With a focus on precision, quality, and customization, PRECITECH Engineering ensures that every product meets international standards and customer specifications.