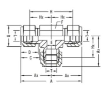
At PRECITECH Engineering, we design and manufacture premium-quality Union Tee fittings that provide secure, leak-proof, and durable connections between three tubes of equal or different diameters. Engineered for high precision, our Union Tee fittings ensure consistent performance in demanding instrumentation, hydraulic, and pneumatic systems.
Each Union Tee is crafted using advanced CNC machining technology, ensuring perfect dimensional accuracy, smooth surface finish, and compatibility with global fitting standards. Made from high-grade stainless steel and corrosion-resistant alloys, these fittings are designed to withstand extreme pressure, temperature, and vibration conditions while maintaining integrity and performance.
Our Union Tee fittings are widely used in oil & gas, chemical processing, power generation, pharmaceutical, and instrumentation industries, where reliability and precision are crucial. At PRECITECH Engineering, we focus on delivering fittings that meet international quality standards, providing our customers with both standard and customized solutions to fit specific application needs.